Shelly
Shelly Pro 3EM - 0% USt. für PV auf Wohngebäuden bis 30kWp
Shelly Pro 3EM - 0% USt. für PV auf Wohngebäuden bis 30kWp
Verfügbarkeit: 2 auf Lager
Verfügbarkeit für Abholungen konnte nicht geladen werden
0% Mehrwertsteuer - Zur Installation als Energiemanagement für eine Photovoltaik-Anlage bis 30 kWp auf oder in der Nähe eines Wohngebäudes
Shelly Pro 3EM 120A
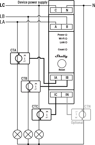
Der Energiezähler von Shelly in der Version für normale Hausanschlüss, PV-Anlagen oder Verbraucher bis 80 kW. Misst Verbrauch oder Erzeugung (2 Richtungen), z.B. von PV-Anlagen. Zum Einbau in Verteilerschränke.
Integrierter Speicher für Energieverbrauch. Es können Verbrauchswerte für bis zu 1 Jahr auch ohne konstanten Internetzugang im 5 Minuten-Intervall gespeichert und als csv exportiert werden.
Kostenlose Cloud und einfache Überwachung per Shelly-App.
Keine Herstellerbindung. Die Messwerte können auch z.B. per MQTT an Hausautomatisierungssysteme wie Homeassistant ausgegeben werden.
Kommunikations-Schnittstellen:
- LAN RJ-45
- WLAN
- Bluetooth (für einfaches Einbinden und als Gateway für Shelly BLU devices)
Anders als beim Shelly 3EM (ohne Pro) ist kein Relaisausgang im Shelly Pro 3EM integriert. Es kann aber mit dem Shelly Pro 3EM Addon nachgerüstet werden. Der Ausgang kann dann manuell per App, mittels Zeitschaltung (auch mit Sonnenaufgang/-untergang) oder über Webhooks von anderen Smart Home-Geräten gesteuert werden.
Lieferumfang:
- Shelly Pro 3EM
- 3 Strommesszangen 120 A
- Mehrsprachige Anleitung
Download:
Share



